基于熱式原理,在密封的探頭內包含兩個電阻,其中一個未被加執作為探測電阻,另一個未被加熱作為基準電阻,當介質流動時,加熱電阻上的熱量被帶走,電阻值被改變,兩個電阻差值被用作判斷流速的依據。無活動部件,免維護,安裝方便,一種型號適用于多種管徑要求,開關量連續可調,極低的壓力損失,結構緊湊,OLED顯示流動趨勢及開關狀態,集成體化溫度測量功能,支持溫度報警與遠程測量。
氣液兩用型,可用于氣動和液壓系統,可用于循環水,切削液及潤滑油的斷流檢測,以及泵的空轉保護。
1、全新數字化設計
2、 -取代傳統熱式流量開關 -集成溫度一體化功能
3、節省安裝空間
4、-OLED液晶可視化顯示窗
設定范圍:水:1…200cm/s
油:3…300cm/s
空氣:20…2000 cm/s
具體需要出廠校準或者現場自定義。
測量介質:水,油,氣等兼容不銹鋼材質的介質
重復性:1%@<0.6m/s;3%@<1.5m/s;10%@>1.5m/s;
開關輸出:(常開+常閉)
輸出類型:PNP/NPN/繼電器可選/常開常閉可設定
負載能力:500mA在24Vdc供電時(NPN及PNP型)
60W(繼電器型)
顯示設計:OLED(0.96寸)
流量指示:數字顯示
設定方式:按鍵設定
耐壓范圍:100bar(300bar可選)
介質溫度變化:4℃/s
響應時間: 1…13s,典型值2s
初始化時間: 約8s
供電:24±20% V DC
電氣保護:反相,短路,過載保護
防護等級:IP67
介質溫度: -20…85℃
環境溫度: -40…85℃
儲存溫度: -20…100℃
接線方式:M12接插件/直接附2米線可選
材質:探頭:304不銹鋼 外殼:304不銹鋼
重量: 約0.4kg

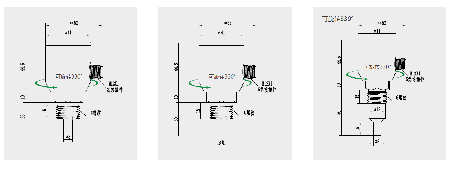
外形尺寸(MM)和安裝


NK210- | G2 | H | D | P | - | Q | 詳述 |
NK210- |
|
|
|
|
|
| NK210-一體式流量溫度傳感器 |
| G2 |
|
|
|
|
| 接口螺紋G1/2 |
| G4 |
|
|
|
|
| 接口螺紋G1/4 |
| M |
|
|
|
|
| 接口螺紋M18×1.5內螺紋 |
| R2 |
|
|
|
|
| 接口螺紋RC1/2,NPT1/2備注 |
|
| H |
|
|
|
| 接口螺紋 外螺紋 |
|
| I |
|
|
|
| 接口螺紋 內螺紋 |
|
|
| D |
|
|
| 直流24V±20%供電 |
|
|
|
| P |
|
| PNP輸出 |
|
|
|
| N |
|
| NPN輸出 |
|
|
|
|
| 15 |
| 探桿長度(15-200MM) |
|
|
|
|
|
| Q | 接插件式 |
選配附件amp;mdash;用于接插件型
NK05 | PU | 02 | F | G | 詳情 |
NK05 |
|
|
|
| M12五芯附線接插件 |
NK05 |
|
|
|
| 自接線式M12附線接插件 |
| PU |
|
|
| PUR材質 |
|
| 02 |
|
| 2米長 |
|
| 05 |
|
| 5米長 |
|
| 10 |
|
| 10米長 |
|
|
| F |
| 母插頭 |
|
|
|
| G | 直型 |
|
|
|
| W | 彎型 |

注:出廠標配電氣附件NK05PU02FG(2米 5芯直型),可不選型,特殊需求需要備注或選型。